RCMC-40W RCMC-50W RCMC-60W RCMC-70W RCMC-80W RCMC-90W RCMC-110W RCMC-125W RCMC-150W RCMC-180W RCMC-200W RCMC-40WD RCMC-50WD RCMC-60WD RCMC-70WD RCMC-80WD RCMC-90WD RCMC-110WD RCMC-125WD RCMC-150WD RCM
| Availability: | |
|---|---|
| Quantity: | |
General Introduction:
China Ningbo Beilun RHONG Machinery Co., Ltd. R brand RCM-WS Water-cooled and RCM-AS Air-cooled Series Screw Type Industrial Chiller machines are large size central cooling system for big factory of injection molding industry, plastic extrusion factory, blowing molding factory, chemical manufacturer and other factories which need cooling water. RHONG RCM-WS and RCM-AS are equipped with screw type semi closed compressor of BITZER brand of Germany. Also we use high quality of electric parts, touch screen PLC controller, refrigeration accessories and components such as expansion valve, dryer-filter, pressure controller, condenser and evaporator. Our RHONG R brand water cooling chiller machine can control the water temperature at 5~30°C and accuracy between ±0.1°C degree Celsius.
Main Features:
1. High quality of components ensures high cooling efficiency and performance.
2. Touch screen PLC control system makes machine is easy to be operated and control temperature in high accuracy.
3. Fault query and statistic system to find and solve machine error quickly..
4. Multi-stage compressor output to ensure chiller machine work continuously and energy-saving.
5. Anti-freeze and water flow protection system to protect compressor and machine parts from freezing.
6. Overload protection system to protect compressor, water pump and cooling fans.
Specification:
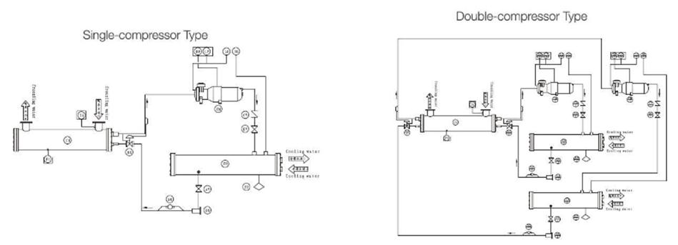
Single compressor specifications:
Name | Screw Compressor Type Water Chiller Machine | |||||||
Model | RCMC-40W | RCMC-50W | RCMC-60W | RCMC-70W | RCMC-80W | RCMC-90W | ||
Power resource | - | 3Ø-380V-50HZ | ||||||
Chilling capacity | kcal/h | 113500 | 141900 | 166000 | 191800 | 220200 | 272600 | |
kw | 132 | 165 | 193 | 223 | 256 | 317 | ||
Consumption | kw | 31 | 38 | 43 | 51 | 58 | 76 | |
Operation current | A | 54 | 66 | 75 | 87 | 96 | 123 | |
Startup current | A | 218D/411D D | 269D/508D D | 290D/485D D | 350D/585D D | 350D/585D D | 520D//801D D | |
Capacity control | % | 100-75-50-25-0 | ||||||
Compressor | Type | - | Half-closed and double-screw type | |||||
Quantity | - | 1 | ||||||
Startup type | - | Divided winding starting | ||||||
Oil heater | W | 200 | 300 | |||||
Chilled oil | Type | - | B320SH | |||||
Filling quantity | L | 9 | 15 | 22 | ||||
Refrigerant | Type | - | R-22 | |||||
Filling quantity | KG | 21 | 26 | 30 | 35 | 40 | 50 | |
Throttling | - | Thermostatic expansion valve | ||||||
Evaporator | Type | - | Tube-in-shell high efficient heat exchanger | |||||
Chiller water flow | m³/h | 23 | 28 | 33 | 38 | 44 | 55 | |
Pressure expense | KPa | 54 | 54 | 54 | 57 | 57 | 57 | |
Water pipe joint | PT | 3" | 3" | 3" | 4" | 4" | 4" | |
Condenser | Type | - | Tube-in-shell high efficient heat exchanger | |||||
Chilling water flow | m³/h | 30 | 37 | 43 | 50 | 57 | 71 | |
Pressure expense | KPa | 54 | 54 | 57 | 57 | 59 | 59 | |
Water pipe joint | PT | 2-1/2" | 3" | 3" | 3" | 3" | 4" | |
Protection device | - | High pressure switch, low pressure switch, Anti-freezing switch, fusible plug, compressor over-heat protection, motor over-heat protection, exhaust air over-heat protection, pump over-load protection, oil over-heat protection, phase reverse protection, voltage insecure, cooling water over-heat protection, chilled water flow protection, cooling water flow shortage protection, cooling tower over current protection, and so on. | ||||||
External dimensions | L | mm | 2175 | 2195 | 2245 | 2860 | 2860 | 2975 |
W | mm | 935 | 935 | 935 | 1015 | 1015 | 1015 | |
H | mm | 1430 | 1500 | 1655 | 1710 | 1710 | 1965 | |
A | mm | 1100 | 1100 | 1100 | 1200 | 1200 | 1300 | |
B | mm | 690 | 690 | 690 | 790 | 790 | 790 | |
C | mm | 690 | 760 | 820 | 860 | 860 | 1000 | |
D | mm | 170 | 190 | 240 | 240 | 240 | 270 | |
E | mm | 100 | 100 | 120 | 120 | 120 | 160 | |
F | mm | 75 | 80 | 80 | 125 | 105 | 100 | |
G | mm | 240 | 240 | 230 | 475 | 475 | 400 | |
I | mm | 75 | 156 | 170 | 200 | 200 | 315 | |
Net weight | Kg | 1020 | 1060 | 1270 | 1370 | 1400 | 1870 | |
Operating weight | Kg | 1120 | 1180 | 1420 | 1550 | 1580 | 2100 | |
Noise | dB(A) | 74 | 76 | 78 | ||||
Name | Screw Type Water Cooled Chilling Machine | ||||||
Model | RCMC-110W | RCMC-120W | RCMC-150W | RCMC-180W | RCMC-200W | ||
Power resource | - | 3Ø-380V-50HZ | |||||
Chilling capacity | kcal/h | 312200 | 360300 | 470400 | 541800 | 621800 | |
kw | 363 | 419 | 547 | 630 | 723 | ||
Consumption | kw | 80 | 90 | 121 | 136 | 156 | |
Operation current | A | 136 | 151 | 199 | 221 | 246 | |
Startup current | A | 612D/943D D | 665D/1023D D | 465Y/1442D | 586Y/1853D | 650Y/2029D | |
Capacity control | % | 100-75-50-25-0 | |||||
Compressor | Type | - | Half-closed and double-screw type | ||||
Quantity | - | 1 | |||||
Startup type | - | Divided winding starting | Y-Δ | ||||
Oil heater | W | 300 | |||||
Chilled oil | Type | - | B320SH | ||||
Filling quantity | L | 22 | 28 | ||||
Refrigerant | Type | - | R-22 | ||||
Filling quantity | KG | 57 | 66 | 86 | 99 | 113 | |
Throttling | - | Thermostatic expansion valve | |||||
Evaporator | Type | - | Tube-in-shell high efficient heat exchanger | ||||
Chiller water flow | m³/h | 62 | 72 | 94 | 109 | 125 | |
Pressure expense | KPa | 59 | 59 | 62 | 62 | 67 | |
Waterpipe joint | PT | 4" | 4" | 5" | 6" | 6" | |
Condenser | Type | - | Tube-in-shell high efficient heat exchanger | ||||
Chilling water flow | m³/h | 81 | 94 | 122 | 141 | 162 | |
Pressure expense | KPa | 62 | 62 | 65 | 67 | 67 | |
Water pipe joint | PT | 4" | 4" | 5" | 5" | 5" | |
Protection device | - | High pressure switch, low pressure switch, Anti-freezing switch, fusible plug, compressor over-heat protection, motor over-heat protection, exhaust air over-heat protection, pump over-load protection, oil over-heat protection, phase reverse protection, voltage insecure, cooling water over-heat protection, chilled water flow protection, cooling water flow shortage protection, cooling tower over current protection, and so on. | |||||
External dimensions | L | mm | 2985 | 3010 | 3510 | 3590 | 3595 |
W | mm | 1025 | 1055 | 1105 | 1150 | 1175 | |
H | mm | 1975 | 1990 | 2140 | 2155 | 2195 | |
A | mm | 1300 | 1300 | 1600 | 1600 | 1600 | |
B | mm | 790 | 790 | 9000 | 900 | 980 | |
C | mm | 1010 | 1010 | 1120 | 1120 | 1160 | |
D | mm | 270 | 245 | 275 | 240 | 240 | |
E | mm | 160 | 175 | 175 | 240 | 240 | |
F | mm | 100 | 100 | 125 | 130 | 175 | |
G | mm | 405 | 405 | 550 | 540 | 540 | |
I | mm | 310 | 245 | 250 | 340 | 340 | |
Net weight | Kg | 1870 | 2070 | 2790 | 2910 | 3240 | |
Operating weight | Kg | 2220 | 2340 | 3120 | 3240 | 3760 | |
Noise | dB(A) | 80 | 82 | ||||
Remark:
1) Condition for parameter test: temperature of chilled water: inlet 12°C,outlet 7°C;temperature of chilling water: Inlet 30°C, outlet 35°C.
2) Noise test: 1m away from the due front of the machine, 1.5m high away from the machine(noise: below 30dB)
3) Any special requirements, have to be advised before order.
Please excuse for not note if some specifications of products are changed.
Double compressor specifications:
Name | Industrial Water Cooling Unit | |||||||
Model | RCMC-40WD | RCMC-50WD | RCMC-60WD | RCMC-70WD | RCMC-80WD | RCMC-90WD | ||
Power resource | - | 3Ø-380V-50HZ | ||||||
Chilling capacity | kcal/h | 226200 | 283800 | 331100 | 383600 | 440300 | 547800 | |
kw | 263 | 330 | 385 | 446 | 512 | 637 | ||
Consumption | kw | 62 | 76 | 87 | 102 | 115 | 136 | |
Operation current | A | 108 | 132 | 149 | 175 | 190 | 232 | |
Startup current | A | 218D/411D D | 269D/508D D | 290D/485D D | 350D/585D D | 423D/686D D | 520D//801D D | |
Capacity control | % | 100-75-50-25-0 | ||||||
Compressor | Type | - | Half-closed and double-screw type | |||||
Quantity | - | 2 | ||||||
Startup type | - | Divided winding starting | ||||||
Oil heater | W | 200x2 | 300x2 | |||||
Chilled oil | Type | - | B320SH | |||||
Filling quantity | L | 9x2 | 15x2 | 22x2 | ||||
Refrigerant | Type | - | R-22 | |||||
Filling quantity | KG | 21x2 | 26x2 | 30x2 | 35x2 | 39x2 | 46x2 | |
Throttling | - | Thermostatic expansion valve | ||||||
Evaporator | Type | - | Tube-in-shell high efficient heat exchanger | |||||
Chiller water flow | m³/h | 45 | 57 | 66 | 77 | 88 | 110 | |
Pressure expense | KPa | 57 | 57 | 59 | 62 | 62 | 62 | |
Water pipe joint | PT | 4" | 4" | 4" | 5" | 5" | 5" | |
Condenser | Type | - | Tube-in-shell high efficient heat exchanger | |||||
Chilling water flow | m³/h | 59 | 74 | 86 | 100 | 115 | 142 | |
Pressure expense | KPa | 51 | 54 | 59 | 59 | 59 | 62 | |
Water pipe joint | PT | 2-1/2"x2 | 3" | 3"x2 | 3"x2 | 3"x2 | 4"x2 | |
Protection device | - | High pressure switch, low pressure switch, Anti-freezing switch, fusible plug, compressor over-heat protection, motor over-heat protection, exhaust air over-heat protection, pump over-load protection, oil over-heat protection, phase reverse protection, voltage insecure, cooling water over-heat protection, chilled water flow protection, cooling water flow shortage protection, cooling tower over current protection, and so on. | ||||||
External dimensions | L | mm | 2850 | 2850 | 3040 | 3130 | 3140 | 3760 |
W | mm | 1150 | 1150 | 1250 | 1250 | 1250 | 1400 | |
H | mm | 1450 | 1450 | 1760 | 1790 | 1810 | 2030 | |
A | mm | 1300 | 1300 | 1300 | 1600 | 1600 | 1600 | |
B | mm | 1040 | 1040 | 1140 | 1140 | 1140 | 1290 | |
C | mm | 770 | 770 | 955 | 970 | 975 | 1085 | |
D | mm | 215 | 215 | 275 | 270 | 270 | 265 | |
E | mm | 100 | 100 | 120 | 120 | 120 | 175 | |
F | mm | 230 | 230 | 275 | 300 | 275 | 375 | |
G | mm | 410 | 410 | 400 | 245 | 400 | 545 | |
I | mm | 70 | 70 | 245 | 250 | 245 | 250 | |
Net weight | Kg | 1790 | 1790 | 2340 | 2420 | 2500 | 3580 | |
Operating weight | Kg | 1920 | 1970 | 2520 | 2620 | 2710 | 3920 | |
Noise | dB(A) | 72 | 76 | 80 | ||||
Name | High Capacity Industrial Water Chiller | ||||||
Model | RCMC-110WD | RCMC-120WD | RCMC-150WD | RCMC-180WD | RCMC-200WD | ||
Power resource | - | 3Ø-380V-50HZ | |||||
Chilling capacity | kcal/h | 623500 | 721500 | 940000 | 1083600 | 1243600 | |
kw | 725 | 839 | 1093 | 1260 | 1446 | ||
Consumption | kw | 160 | 180 | 230 | 272 | 305 | |
Operation current | A | 273 | 305 | 373 | 452 | 503 | |
Startup current | A | 612D/943D D | 665D/1023D D | 465Y/1442D | 586Y/1853D | 650Y/2029D | |
Capacity control | % | 100-75-50-25-0 | |||||
Compressor | Type | - | Half-closed and double-screw type | ||||
Quantity | - | 2 | |||||
Startup type | - | Divided winding starting | Y-Δ | ||||
Oil heater | W | 300x2 | |||||
Chilled oil | Type | - | B320SH | ||||
Filling quantity | L | 22x2 | 28x2 | ||||
Refrigerant | Type | - | R-22 | ||||
Filling quantity | KG | 54x2 | 61x2 | 78x2 | 92x2 | 104x2 | |
Throttling | - | Thermostatic expansion valve | |||||
Evaporator | Type | - | Tube-in-shell high efficient heat exchanger | ||||
Chiller water flow | m³/h | 125 | 144 | 188 | 217 | 249 | |
Pressure expense | KPa | 65 | 65 | 67 | 67 | 69 | |
Water pipe joint | PT | 6" | 6" | 6" | 8" | 8" | |
Condenser | Type | - | Tube-in-shell high efficient heat exchanger | ||||
Chilling water flow | m³/h | 162 | 188 | 244 | 282 | 323 | |
Pressure expense | KPa | 62 | 62 | 65 | 67 | 67 | |
Water pipe joint | PT | 4"x2 | 4"x2 | 5"x2 | 5"x2 | 5"x2 | |
Protection device | - | High pressure switch, low pressure switch, Anti-freezing switch, fusible plug, compressor over-heat protection, motor over-heat protection, exhaust air over-heat protection, pump over-load protection, oil over-heat protection, phase reverse protection, voltage insecure, cooling water over-heat protection, chilled water flow protection, cooling water flow shortage protection, cooling tower over current protection, and so on. | |||||
External dimensions | L | mm | 3760 | 3760 | 4100 | 4100 | 4250 |
W | mm | 1400 | 1400 | 1600 | 1750 | 1750 | |
H | mm | 2040 | 2080 | 2260 | 2290 | 2360 | |
A | mm | 1600 | 1600 | 1600 | 1600 | 1600 | |
B | mm | 1290 | 1290 | 1480 | 1630 | 1630 | |
C | mm | 1130 | 1135 | 1240 | 1270 | 1305 | |
D | mm | 265 | 265 | 290 | 290 | 290 | |
E | mm | 175 | 175 | 240 | 240 | 250 | |
F | mm | 375 | 375 | 450 | 450 | 430 | |
G | mm | 545 | 545 | 500 | 500 | 775 | |
I | mm | 250 | 250 | 100 | 100 | 90 | |
Net weight | Kg | 3750 | 3880 | 5050 | 5340 | 5600 | |
Operating weight | Kg | 4110 | 4250 | 5490 | 5830 | 6260 | |
Noise | dB(A) | 80 | 82 | ||||
Remark:
1) Condition for parameter test: temperature of chilled water: inlet 12°C,outlet 7°C;temperature of chilling water: Inlet 30°C, outlet 35°C.
2) Noise test: 1m away from the due front of the machine, 1.5m high away from the machine (noise: below 30dB)
3) "-D" means double compressor.
4) Any special requirements have to be advised before order.
Please excuse for not note if some specifications of products are changed.
General Introduction:
China Ningbo Beilun RHONG Machinery Co., Ltd. R brand RCM-WS Water-cooled and RCM-AS Air-cooled Series Screw Type Industrial Chiller machines are large size central cooling system for big factory of injection molding industry, plastic extrusion factory, blowing molding factory, chemical manufacturer and other factories which need cooling water. RHONG RCM-WS and RCM-AS are equipped with screw type semi closed compressor of BITZER brand of Germany. Also we use high quality of electric parts, touch screen PLC controller, refrigeration accessories and components such as expansion valve, dryer-filter, pressure controller, condenser and evaporator. Our RHONG R brand water cooling chiller machine can control the water temperature at 5~30°C and accuracy between ±0.1°C degree Celsius.
Main Features:
1. High quality of components ensures high cooling efficiency and performance.
2. Touch screen PLC control system makes machine is easy to be operated and control temperature in high accuracy.
3. Fault query and statistic system to find and solve machine error quickly..
4. Multi-stage compressor output to ensure chiller machine work continuously and energy-saving.
5. Anti-freeze and water flow protection system to protect compressor and machine parts from freezing.
6. Overload protection system to protect compressor, water pump and cooling fans.
Specification:
Single compressor specifications:
Name | Screw Compressor Type Water Chiller Machine | |||||||
Model | RCMC-40W | RCMC-50W | RCMC-60W | RCMC-70W | RCMC-80W | RCMC-90W | ||
Power resource | - | 3Ø-380V-50HZ | ||||||
Chilling capacity | kcal/h | 113500 | 141900 | 166000 | 191800 | 220200 | 272600 | |
kw | 132 | 165 | 193 | 223 | 256 | 317 | ||
Consumption | kw | 31 | 38 | 43 | 51 | 58 | 76 | |
Operation current | A | 54 | 66 | 75 | 87 | 96 | 123 | |
Startup current | A | 218D/411D D | 269D/508D D | 290D/485D D | 350D/585D D | 350D/585D D | 520D//801D D | |
Capacity control | % | 100-75-50-25-0 | ||||||
Compressor | Type | - | Half-closed and double-screw type | |||||
Quantity | - | 1 | ||||||
Startup type | - | Divided winding starting | ||||||
Oil heater | W | 200 | 300 | |||||
Chilled oil | Type | - | B320SH | |||||
Filling quantity | L | 9 | 15 | 22 | ||||
Refrigerant | Type | - | R-22 | |||||
Filling quantity | KG | 21 | 26 | 30 | 35 | 40 | 50 | |
Throttling | - | Thermostatic expansion valve | ||||||
Evaporator | Type | - | Tube-in-shell high efficient heat exchanger | |||||
Chiller water flow | m³/h | 23 | 28 | 33 | 38 | 44 | 55 | |
Pressure expense | KPa | 54 | 54 | 54 | 57 | 57 | 57 | |
Water pipe joint | PT | 3" | 3" | 3" | 4" | 4" | 4" | |
Condenser | Type | - | Tube-in-shell high efficient heat exchanger | |||||
Chilling water flow | m³/h | 30 | 37 | 43 | 50 | 57 | 71 | |
Pressure expense | KPa | 54 | 54 | 57 | 57 | 59 | 59 | |
Water pipe joint | PT | 2-1/2" | 3" | 3" | 3" | 3" | 4" | |
Protection device | - | High pressure switch, low pressure switch, Anti-freezing switch, fusible plug, compressor over-heat protection, motor over-heat protection, exhaust air over-heat protection, pump over-load protection, oil over-heat protection, phase reverse protection, voltage insecure, cooling water over-heat protection, chilled water flow protection, cooling water flow shortage protection, cooling tower over current protection, and so on. | ||||||
External dimensions | L | mm | 2175 | 2195 | 2245 | 2860 | 2860 | 2975 |
W | mm | 935 | 935 | 935 | 1015 | 1015 | 1015 | |
H | mm | 1430 | 1500 | 1655 | 1710 | 1710 | 1965 | |
A | mm | 1100 | 1100 | 1100 | 1200 | 1200 | 1300 | |
B | mm | 690 | 690 | 690 | 790 | 790 | 790 | |
C | mm | 690 | 760 | 820 | 860 | 860 | 1000 | |
D | mm | 170 | 190 | 240 | 240 | 240 | 270 | |
E | mm | 100 | 100 | 120 | 120 | 120 | 160 | |
F | mm | 75 | 80 | 80 | 125 | 105 | 100 | |
G | mm | 240 | 240 | 230 | 475 | 475 | 400 | |
I | mm | 75 | 156 | 170 | 200 | 200 | 315 | |
Net weight | Kg | 1020 | 1060 | 1270 | 1370 | 1400 | 1870 | |
Operating weight | Kg | 1120 | 1180 | 1420 | 1550 | 1580 | 2100 | |
Noise | dB(A) | 74 | 76 | 78 | ||||
Name | Screw Type Water Cooled Chilling Machine | ||||||
Model | RCMC-110W | RCMC-120W | RCMC-150W | RCMC-180W | RCMC-200W | ||
Power resource | - | 3Ø-380V-50HZ | |||||
Chilling capacity | kcal/h | 312200 | 360300 | 470400 | 541800 | 621800 | |
kw | 363 | 419 | 547 | 630 | 723 | ||
Consumption | kw | 80 | 90 | 121 | 136 | 156 | |
Operation current | A | 136 | 151 | 199 | 221 | 246 | |
Startup current | A | 612D/943D D | 665D/1023D D | 465Y/1442D | 586Y/1853D | 650Y/2029D | |
Capacity control | % | 100-75-50-25-0 | |||||
Compressor | Type | - | Half-closed and double-screw type | ||||
Quantity | - | 1 | |||||
Startup type | - | Divided winding starting | Y-Δ | ||||
Oil heater | W | 300 | |||||
Chilled oil | Type | - | B320SH | ||||
Filling quantity | L | 22 | 28 | ||||
Refrigerant | Type | - | R-22 | ||||
Filling quantity | KG | 57 | 66 | 86 | 99 | 113 | |
Throttling | - | Thermostatic expansion valve | |||||
Evaporator | Type | - | Tube-in-shell high efficient heat exchanger | ||||
Chiller water flow | m³/h | 62 | 72 | 94 | 109 | 125 | |
Pressure expense | KPa | 59 | 59 | 62 | 62 | 67 | |
Waterpipe joint | PT | 4" | 4" | 5" | 6" | 6" | |
Condenser | Type | - | Tube-in-shell high efficient heat exchanger | ||||
Chilling water flow | m³/h | 81 | 94 | 122 | 141 | 162 | |
Pressure expense | KPa | 62 | 62 | 65 | 67 | 67 | |
Water pipe joint | PT | 4" | 4" | 5" | 5" | 5" | |
Protection device | - | High pressure switch, low pressure switch, Anti-freezing switch, fusible plug, compressor over-heat protection, motor over-heat protection, exhaust air over-heat protection, pump over-load protection, oil over-heat protection, phase reverse protection, voltage insecure, cooling water over-heat protection, chilled water flow protection, cooling water flow shortage protection, cooling tower over current protection, and so on. | |||||
External dimensions | L | mm | 2985 | 3010 | 3510 | 3590 | 3595 |
W | mm | 1025 | 1055 | 1105 | 1150 | 1175 | |
H | mm | 1975 | 1990 | 2140 | 2155 | 2195 | |
A | mm | 1300 | 1300 | 1600 | 1600 | 1600 | |
B | mm | 790 | 790 | 9000 | 900 | 980 | |
C | mm | 1010 | 1010 | 1120 | 1120 | 1160 | |
D | mm | 270 | 245 | 275 | 240 | 240 | |
E | mm | 160 | 175 | 175 | 240 | 240 | |
F | mm | 100 | 100 | 125 | 130 | 175 | |
G | mm | 405 | 405 | 550 | 540 | 540 | |
I | mm | 310 | 245 | 250 | 340 | 340 | |
Net weight | Kg | 1870 | 2070 | 2790 | 2910 | 3240 | |
Operating weight | Kg | 2220 | 2340 | 3120 | 3240 | 3760 | |
Noise | dB(A) | 80 | 82 | ||||
Remark:
1) Condition for parameter test: temperature of chilled water: inlet 12°C,outlet 7°C;temperature of chilling water: Inlet 30°C, outlet 35°C.
2) Noise test: 1m away from the due front of the machine, 1.5m high away from the machine(noise: below 30dB)
3) Any special requirements, have to be advised before order.
Please excuse for not note if some specifications of products are changed.
Double compressor specifications:
Name | Industrial Water Cooling Unit | |||||||
Model | RCMC-40WD | RCMC-50WD | RCMC-60WD | RCMC-70WD | RCMC-80WD | RCMC-90WD | ||
Power resource | - | 3Ø-380V-50HZ | ||||||
Chilling capacity | kcal/h | 226200 | 283800 | 331100 | 383600 | 440300 | 547800 | |
kw | 263 | 330 | 385 | 446 | 512 | 637 | ||
Consumption | kw | 62 | 76 | 87 | 102 | 115 | 136 | |
Operation current | A | 108 | 132 | 149 | 175 | 190 | 232 | |
Startup current | A | 218D/411D D | 269D/508D D | 290D/485D D | 350D/585D D | 423D/686D D | 520D//801D D | |
Capacity control | % | 100-75-50-25-0 | ||||||
Compressor | Type | - | Half-closed and double-screw type | |||||
Quantity | - | 2 | ||||||
Startup type | - | Divided winding starting | ||||||
Oil heater | W | 200x2 | 300x2 | |||||
Chilled oil | Type | - | B320SH | |||||
Filling quantity | L | 9x2 | 15x2 | 22x2 | ||||
Refrigerant | Type | - | R-22 | |||||
Filling quantity | KG | 21x2 | 26x2 | 30x2 | 35x2 | 39x2 | 46x2 | |
Throttling | - | Thermostatic expansion valve | ||||||
Evaporator | Type | - | Tube-in-shell high efficient heat exchanger | |||||
Chiller water flow | m³/h | 45 | 57 | 66 | 77 | 88 | 110 | |
Pressure expense | KPa | 57 | 57 | 59 | 62 | 62 | 62 | |
Water pipe joint | PT | 4" | 4" | 4" | 5" | 5" | 5" | |
Condenser | Type | - | Tube-in-shell high efficient heat exchanger | |||||
Chilling water flow | m³/h | 59 | 74 | 86 | 100 | 115 | 142 | |
Pressure expense | KPa | 51 | 54 | 59 | 59 | 59 | 62 | |
Water pipe joint | PT | 2-1/2"x2 | 3" | 3"x2 | 3"x2 | 3"x2 | 4"x2 | |
Protection device | - | High pressure switch, low pressure switch, Anti-freezing switch, fusible plug, compressor over-heat protection, motor over-heat protection, exhaust air over-heat protection, pump over-load protection, oil over-heat protection, phase reverse protection, voltage insecure, cooling water over-heat protection, chilled water flow protection, cooling water flow shortage protection, cooling tower over current protection, and so on. | ||||||
External dimensions | L | mm | 2850 | 2850 | 3040 | 3130 | 3140 | 3760 |
W | mm | 1150 | 1150 | 1250 | 1250 | 1250 | 1400 | |
H | mm | 1450 | 1450 | 1760 | 1790 | 1810 | 2030 | |
A | mm | 1300 | 1300 | 1300 | 1600 | 1600 | 1600 | |
B | mm | 1040 | 1040 | 1140 | 1140 | 1140 | 1290 | |
C | mm | 770 | 770 | 955 | 970 | 975 | 1085 | |
D | mm | 215 | 215 | 275 | 270 | 270 | 265 | |
E | mm | 100 | 100 | 120 | 120 | 120 | 175 | |
F | mm | 230 | 230 | 275 | 300 | 275 | 375 | |
G | mm | 410 | 410 | 400 | 245 | 400 | 545 | |
I | mm | 70 | 70 | 245 | 250 | 245 | 250 | |
Net weight | Kg | 1790 | 1790 | 2340 | 2420 | 2500 | 3580 | |
Operating weight | Kg | 1920 | 1970 | 2520 | 2620 | 2710 | 3920 | |
Noise | dB(A) | 72 | 76 | 80 | ||||
Name | High Capacity Industrial Water Chiller | ||||||
Model | RCMC-110WD | RCMC-120WD | RCMC-150WD | RCMC-180WD | RCMC-200WD | ||
Power resource | - | 3Ø-380V-50HZ | |||||
Chilling capacity | kcal/h | 623500 | 721500 | 940000 | 1083600 | 1243600 | |
kw | 725 | 839 | 1093 | 1260 | 1446 | ||
Consumption | kw | 160 | 180 | 230 | 272 | 305 | |
Operation current | A | 273 | 305 | 373 | 452 | 503 | |
Startup current | A | 612D/943D D | 665D/1023D D | 465Y/1442D | 586Y/1853D | 650Y/2029D | |
Capacity control | % | 100-75-50-25-0 | |||||
Compressor | Type | - | Half-closed and double-screw type | ||||
Quantity | - | 2 | |||||
Startup type | - | Divided winding starting | Y-Δ | ||||
Oil heater | W | 300x2 | |||||
Chilled oil | Type | - | B320SH | ||||
Filling quantity | L | 22x2 | 28x2 | ||||
Refrigerant | Type | - | R-22 | ||||
Filling quantity | KG | 54x2 | 61x2 | 78x2 | 92x2 | 104x2 | |
Throttling | - | Thermostatic expansion valve | |||||
Evaporator | Type | - | Tube-in-shell high efficient heat exchanger | ||||
Chiller water flow | m³/h | 125 | 144 | 188 | 217 | 249 | |
Pressure expense | KPa | 65 | 65 | 67 | 67 | 69 | |
Water pipe joint | PT | 6" | 6" | 6" | 8" | 8" | |
Condenser | Type | - | Tube-in-shell high efficient heat exchanger | ||||
Chilling water flow | m³/h | 162 | 188 | 244 | 282 | 323 | |
Pressure expense | KPa | 62 | 62 | 65 | 67 | 67 | |
Water pipe joint | PT | 4"x2 | 4"x2 | 5"x2 | 5"x2 | 5"x2 | |
Protection device | - | High pressure switch, low pressure switch, Anti-freezing switch, fusible plug, compressor over-heat protection, motor over-heat protection, exhaust air over-heat protection, pump over-load protection, oil over-heat protection, phase reverse protection, voltage insecure, cooling water over-heat protection, chilled water flow protection, cooling water flow shortage protection, cooling tower over current protection, and so on. | |||||
External dimensions | L | mm | 3760 | 3760 | 4100 | 4100 | 4250 |
W | mm | 1400 | 1400 | 1600 | 1750 | 1750 | |
H | mm | 2040 | 2080 | 2260 | 2290 | 2360 | |
A | mm | 1600 | 1600 | 1600 | 1600 | 1600 | |
B | mm | 1290 | 1290 | 1480 | 1630 | 1630 | |
C | mm | 1130 | 1135 | 1240 | 1270 | 1305 | |
D | mm | 265 | 265 | 290 | 290 | 290 | |
E | mm | 175 | 175 | 240 | 240 | 250 | |
F | mm | 375 | 375 | 450 | 450 | 430 | |
G | mm | 545 | 545 | 500 | 500 | 775 | |
I | mm | 250 | 250 | 100 | 100 | 90 | |
Net weight | Kg | 3750 | 3880 | 5050 | 5340 | 5600 | |
Operating weight | Kg | 4110 | 4250 | 5490 | 5830 | 6260 | |
Noise | dB(A) | 80 | 82 | ||||
Remark:
1) Condition for parameter test: temperature of chilled water: inlet 12°C,outlet 7°C;temperature of chilling water: Inlet 30°C, outlet 35°C.
2) Noise test: 1m away from the due front of the machine, 1.5m high away from the machine (noise: below 30dB)
3) "-D" means double compressor.
4) Any special requirements have to be advised before order.
Please excuse for not note if some specifications of products are changed.